
光伏監控后臺系統概述 上海長高繼保的光伏電站監控就是將光伏電站的逆變器、匯流箱、輻照儀、氣象儀、電表、微機保護裝置等設備通過數據線連接起來,用光伏電站數據采集器、通訊管理機、數據網關等設備進行數據采集,并通過GPRS、光纖等方式上傳到用戶服務器或本地電腦,使用戶可以在互聯網或本地電腦上查看相關數據,方便電站管理人員和用戶對光伏電站的運行數據查看和管理。可對太陽能光伏電站里的電池陣列、匯流箱、逆變器、交直流配電柜、等設備進行實時監控和控制,通過各種樣式的圖表及數據快速掌握電站的運行情況,其友好的用戶界面、強大的分析功能、完善的故障報警確保了太陽能光伏發電系統的完全可靠和穩定運行。

光伏監控后臺系統主要功能 1、逆變器狀態、斷路器狀態采集與顯示;
2、實時監控逆變器工作狀態,監控其故障信息;
3、系統詳細運行參數顯示;
4、故障記錄及報警;
5、具有電量累計、系統分析、歷史記錄功能;
6、簡單易用的參數設置功能。
光伏監控后臺系統主要特點 可以讓人們進行集群監測和管理,無需到現場逐臺設備查看狀況,更有利于進行數據匯總、生成曲線、數據分析,網絡監控更加便于人們進行遠程管理,大量節約人力成本。光伏電站一般建設在屋頂或者偏僻的地區,現場查看不是很方便,而且發電的數量直接和經濟效益掛鉤,因此光伏監控有利于人們及時發現并解決問題。特別是網絡遠程監控,可以通過手機、郵件等方式通知管理者,第一時間發現問題,并通過遠程查看數據來判斷問題的原因。
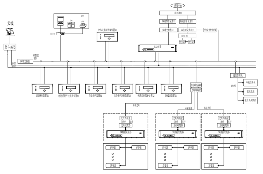
光伏電站監控系統主要設備 
光伏公用測控屏
公用測控屏主要用于除專用間隔以外的模擬量(如母線電壓)、開關量(如GPS裝置)的采集、各開關控制操作。那么既然專用間隔都有微機保護測控及保護,為什么還需要公用測控裝置呢,對于微機保護來講,都有自己的開關量輸入,開關量輸出和模擬量的輸入。但是對于一臺保護測控裝置來說,既起到保護作用,又起到測控的作用。但是對于信號的輸入點是比較少的,那么就需要公用測控裝置來滿足現場的要求。還有就是站內的一些開關量信息,如直流屏故障信號、火災報警故障等這些信號需要在后臺監控上體現出來,那么就需要公用測控來解決。這些信號接到其它哪個微機保護也不合適。這些只是一部分,其實公用測控裝置就是根據現場的實際要求提供滿足現場需要的開入、開出和模擬量。通過這些量接入到公用測控中,最后顯示在后臺監控中。
光伏二次安防屏
是確保電力信息化系統、電力實時閉環監控系統及調度數據網絡的安全,目標是抵御黑客、病毒、惡意代碼等通過各種形式對系統發起的惡意破壞和攻擊,從而防止一次系統、二次系統事故或大面積停電等事故的出現。二次安全防護是依據電監會5號令以及電監會[2006]34號文的規定并根據電力系統二次系統系統的具體情況制定的,目的是設計規范電力系統計算機監控系統及調度數據網絡安全防護的規劃、實施和監管,以防范對電力系統計算機監控系統及調度數據網絡的攻擊侵害及由此引起的電力系統事故,保障電力系統的安全、穩定、經濟運行。電力二次系統是由地理上廣泛分布于各級發電機、變電站的業務系統通過緊密或松散的聯系而構成的復合系統,它的支持環境既包括各調度網絡和廠站的異構計算機系統、局域網絡,又包括連通各局域網的電力系統行業外聯網。因此,電力信息系統安全不同于單純的計算機系統或通信系統安全,為了確保電力系統業務的安全,必須同時考慮廣泛分布而又相互聯系的業務系統及其與計算機、通信等基礎支持系統間的交互。
光伏遠動通訊屏
集電力數據采集、開關信號采集、遠程參數修改、調度中心控制的一種遠動控制屏。主要用于光伏電站、開閉所、變電站、配電房。能與間隔層各種智能設備進行數據交換、定點對時,也可以向后臺系統、調度中心發送各種遙測、遙信信號,可以接收后臺系統或者調度中心的各種遙調、遙控信號,實現對光伏電站、開閉所、變電站、配電房的自動化控制。光伏遠動屏主要包含通訊管理機、GPS衛星時鐘、網絡交換機、模擬防雷器,信號防雷器等。
光伏調度數據網
可用于光伏電站中,安裝于光伏二次預制艙中。光伏調度數據網屏主要由路由器、電力專用縱向加密裝置、交換機、屏體及附件組成。光伏調度數據網屏的作用是傳輸電網自動化信息、調度指揮指令、繼電保護與安全自動裝置控制信息等。將遠傳的數據進行進一步加工,從而使其能夠以更高的速率和準確率傳送到主站,使供電公司調度部門配合接收數據。調調度數據網屏主要作用是將電力自動化數據集中傳給供電公司的調度中心集中管理,是電網調度自動化、管理現代化的基礎,是確保電網安全、穩定、經濟運行的重要手段,是電力系統的重要基礎設施,其在協調電力系統發、送、配、用電等組成部分的聯合運轉及保證電網安全、穩定、可靠的運行方面發揮了重大的作用。
光伏電能質量在線監測屏
采集監測單元與分析管理機之間通過以太網連接,并提供第二個通訊接口可供本地監控中心分析,或者多級調度接入。電能質量監測屏適用于變電站、風電場、光伏電站等大型廠礦企業的供電系統。解決了電力負荷急劇加大,特別是沖擊性和非線性負荷容量的不斷增長,使得電網發生波形畸變、電壓波動與閃變和三相不平衡等電能質量問題。
上一篇:
光伏AGC功率控制和AVC電壓控制
下一篇:
光伏電站光功率預測系統的介紹